网站首页
关于我们
产品展示
新闻中心
人才招聘
下载中心
在线留言
联系我们
全国热线:13736776298
产品分类
JCW1系列智能型万能式断路器
JCW2-1000系列智能型万能式断路器
JCW2-1600系列智能型万能式断路器
Dw15系列万能断路器
JCQ2、JCQ1C、JCQ1、JCQ3系列双电源自动转换开关
产品搜素
关键字:
浙江荆楚电气有限公司
销售电话:13736776298
服务热线:13736776298
Fax:0577-61716298
E-mail:
290690785@qq.com
网 址:
http://www.jecu.com.cn
地址:浙江省乐清市柳市镇虎啸路108号
您现在的位置:
首页
>>
产品展示
>>
Dw15系列万能断路器
浏览同类商品
上一页:
没有了!
上一页:
没有了!
产品名称:
Dw15万能断路器
上架时间:
2015/10/13 11:20:18
浏览次数:
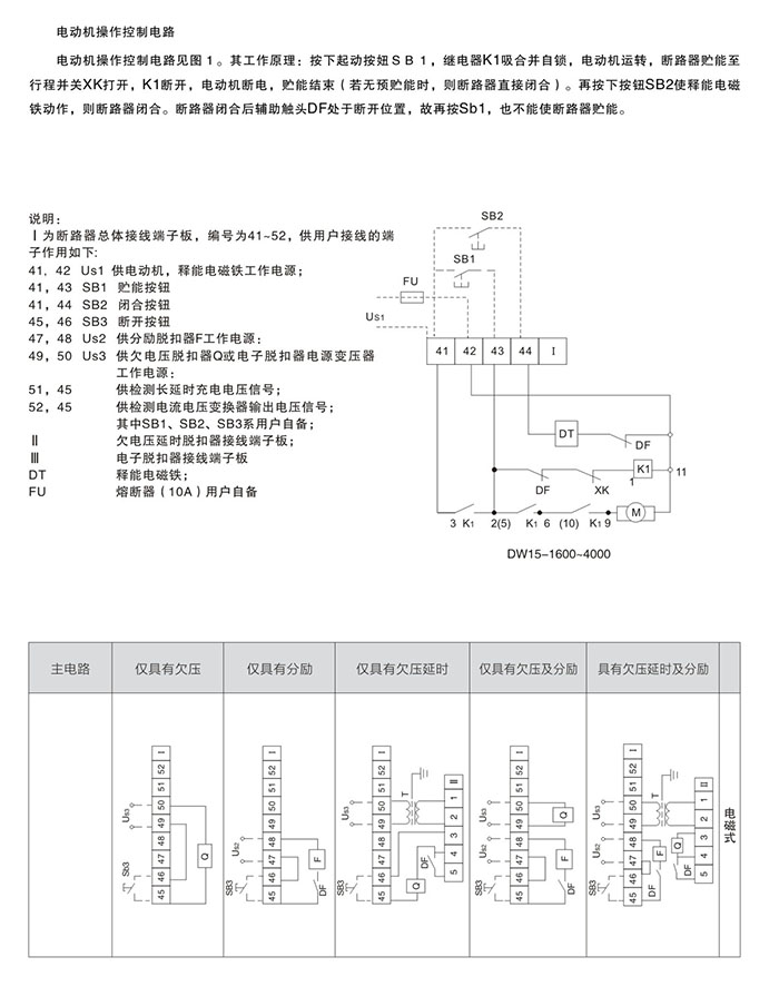
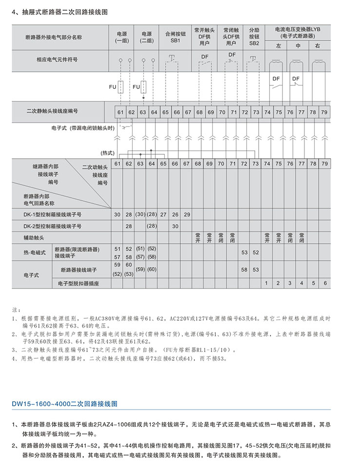
产品详细介绍
浙江荆楚电气有限公司 -- 注重新品研发和应用
开云kaiyun(中国)体育 - 平台结构·网页版手机版体验研究与体育娱乐分类资料